Доставка рассчитывается индивидуально
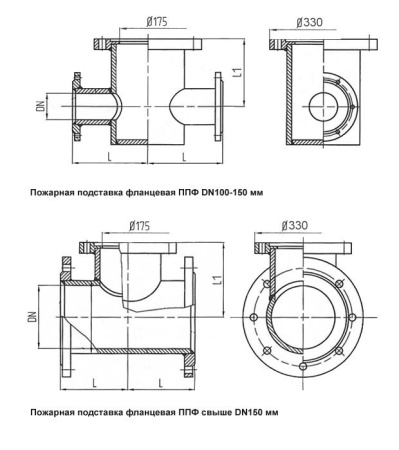
Подставка под пожарный гидрант ППФ
На каждом предприятии, в соответствии с правилами противопожарной безопасности, должен быть пожарный гидрант. Для его крепления используют пожарную подставку фланцевую. Это изделие изготовлено из высокопрочного чугуна методом сварки труб и плоского ответного фланца под гидрант. Пожарные подставки ППФ представляют собой тройник. У нее несколько предназначений - это и отвод рабочий среды водопровода в противопожарный канал, и опора для крепления самого гидранта. Фланцевый патрубок должен соответствовать диаметру трубы водопровода. Фланцевое соединение затягивается болтами и гайками и обеспечивает надежность и герметичность крепления при рабочем давлении жидкости до 1,0 Мпа.
Технические характеристики пожарной подставки фланцевой ППФ
- Материал - сталь, чугун
- Рабочее давление, МПа - 1,0 (1,6 на заказ)
- Рабочая среда - пресная вода
- Температура рабочей среды, ºС - +100Пожарная подставка фланцевая ППФ, материал - высокопрочный чугун с шаровидным графитом (ВЧШГ).
| Тип | DN | L, мм | L1, мм | Масса, кг |
|---|---|---|---|---|
| ППФ 100 | 100 | 200 | 225 | 40 |
| ППФ 150 | 150 | 250 | 250 | 50 |
| ППФ 200 | 200 | 275 | 300 | 57 |
| ППФ 250 | 250 | 300 | 300 | 74 |
| ППФ 300 | 300 | 325 | 300 | 83 |
| ППФ 400 | 400 | 350 | 400 | 115 |
| ППФ 500 | 500 | 450 | 500 | 152 |
| ППФ 600 | 600 | 500 | 550 |
208 |
Дополнительная вкладка, для размещения информации о магазине, доставке или любого другого важного контента. Поможет вам ответить на интересующие покупателя вопросы и развеять его сомнения в покупке. Используйте её по своему усмотрению.
Вы можете убрать её или вернуть обратно, изменив одну галочку в настройках компонента. Очень удобно.
