30с41нж задвижка стальная клиновая с выдвижным шпинделем цена в Размеры и технические характеристики ру16 ду50, ду100, ду150, ду200 и другие. Широкий выбор, доставка по России, скидки при покупке оптом! - ☎
Подробности
Диаметр DN/ID—50
- 50
- 80
- 100
- 125
- 150
- 200
- 250
- 300
- 400
В корзину
СКИДКИ до 50%
Доставка рассчитывается индивидуально
Доставка рассчитывается индивидуально
Характеристики
Материал
—
сталь
Назначение
—
для водопровода
Страна производства
—
Россия
Давление
—
ру16
Информация на сайте не является публичной офертой
Характеристики
Материал
сталь
Страна производства
Россия
Давление
ру16
Назначение
для водопровода
Похожие товары
Описание
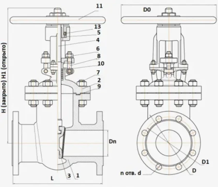
Задвижка клиновая с выдвижным шпинделем 30с41нж
Клиновые задвижки стальные изготавливаются с цельным клином или составным двухдисковым клином, Применение жесткого клина в задвижках малых диаметров создает надежную конструкцию с высокой герметичностью запирающего элемента. Параллельные задвижки стальные могут иметь затвор в виде одного диска или листа (шиберная), или в виде двух дисков с расположенным между ними распорным клином или распорной пружиной. Присоединительные размеры и размеры уплотнительных поверхностей корпуса: исп.1 ГОСТ 12815-80. Направление подачи среды: с любой стороны магистральных фланцев. Установочное положение на трубопроводе: приводом вверх. Допускается отклонение от вертикали до 90° в любую сторону.Параметры задвижки 30с41нж
- Тип задвижки - Клиновая
- Давление номинальное PN - 16 бар
- Тип управления - ручной
- Температура рабочей среды - от от -40 до + до 425
- Класс герметичности по ГОСТ 9544-2015 - "A"
- Материал корпуса - сталь 25Л наплавка Св.20Х13
- Материал запорного органа - сталь 25Л наплавка Св.20Х13
- Тип уплотнения - ТРГ
- Тип покрытия - нержавеющая сталь
- Страна производитель - Россия
30с41нж технические характеристики
| Наименование | DN | D | D0 | L | H | H1 | Масса, кг |
|---|---|---|---|---|---|---|---|
| Задвижка 30с41нж DN 50 | 50 | 160 | 160 | 180 | 281 | 346 | 17 |
| Задвижка 30с41нж DN 80 | 80 | 195 | 160 | 210 | 336 | 428 | 28,7 |
| Задвижка 30с41нж DN 100 | 100 | 215 | 210 | 230 | 385 | 496 | 39,2 |
| Задвижка 30с41нж DN 125 | 125 | 245 | 210 | 255 | 470 | 600 | 61 |
| Задвижка 30с41нж DN 150 | 150 | 280 | 280 | 280 | 576 | 742 | 85 |
| Задвижка 30с41нж DN 200 | 200 | 335 | 310 | 330 | 686 | 902 | 123,9 |
| Задвижка 30с41нж DN 250 | 250 | 405 | 400 | 450 | 854 | 1118 | 240,7 |
| Задвижка 30с41нж DN 300 | 300 | 460 | 460 | 500 | 998 | 1315 | 322,8 |
| Задвижка 30с41нж DN 350 | 350 | 520 | 460 | 550 | 1220 | 1570 | 361 |
| Задвижка 30с41нж DN 400 | 400 | 580 | 480 | 600 | 1360 | 1770 | 491,7 |
Дополнительно
Дополнительная вкладка, для размещения информации о магазине, доставке или любого другого важного контента. Поможет вам ответить на интересующие покупателя вопросы и развеять его сомнения в покупке. Используйте её по своему усмотрению.
Вы можете убрать её или вернуть обратно, изменив одну галочку в настройках компонента. Очень удобно.
Услуги
