Доставка рассчитывается индивидуально
Задвижка чугунная 30ч39р (МЗТА) с обрезиненным клином с невыдвижным шпинделем PN10/16
Показатели назначения задвижек 30ч39р
- Давление PN: 1,0 и 1,6 МПа (10 и 16 кгс/см2)
- Рабочая среда:
Вода, пар, неагрессивные жидкие и газообразные среды, по отношению к которым, материалы применяемые в задвижке коррозионностойкие - Температура рабочей среды: от -30 до +130 °С
- Температура окружающего воздуха: от −30°С до +45°С
- Класс герметичности по ГОСТ 9544-2005: "А"
Материальное исполнение задвижек 30ч39р
- 1. Корпус: Высокопрочный чугун ВЧ50
- 2. Обрезиненный клин: EPDM (основание — высокопрочный чугун ВЧ50)
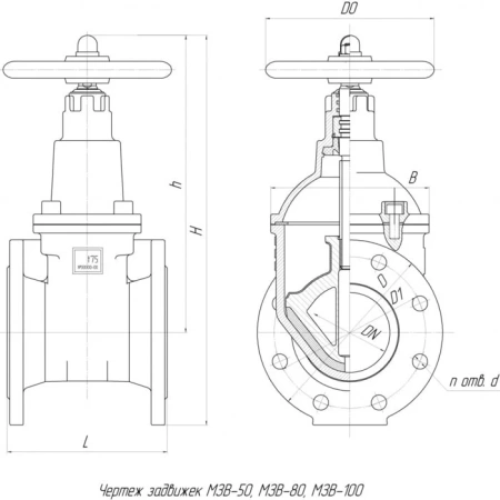
| Габаритные, присоединительные размеры, мм | |||||||
| Тип задвижки | |||||||
| Обозначение параметра | 50 | 80 | 100 | 150 | 200 | 250 | 300 |
| DN | 50 | 80 | 100 | 150 | 200 | 250 | 300 |
| D | 165 | 200 | 220 | 280 | 340 | 400 | 455 |
| D1 | 125 | 160 | 180 | 240 | 295 | 350 | 400 |
| D0 | 140 | 200 | 200 | 250 | 280 | 330 | 330 |
| L | 150 | 180 | 190 | 210 | 230 | 250 | 270 |
| B | 118 | 160 | 188 | 280 | 348 | 434 | 512 |
| d | 18 | 18 | 18 | 22 | 22 | 22 | 22 |
| n | 4 | 4 | 8 | 8 | 8 | 12 | 12 |
| H | 323 | 406 | 463 | 623 | 732 | 889 | 1011 |
| h | 240 | 306 | 353 | 480 | 562 | 689 | 784 |
ПРИМЕНЕНИЕ
Запорные полнопроходные задвижки общепромышленного назначения с обрезиненным клином невыдвижным шпинделем фланцевые чугунные МЗВ, предназначенные для установки в трубопроводах питьевой воды по СанПиН 2.1.4.1074 протекающей в системе холодного и горячего водоснабжения.
По устойчивости к воздействию температуры и влажности окружающего воздуха задвижки соответствуют климатическому исполнению УХЛ категории размещения 3 ГОСТ 15150.
ОБЩИЕ ТЕХНИЧЕСКИЕ ХАРАКТЕРИСТИКИ
| Наименование параметра | Тип задвижки | ||||||
| 1,6-50 | 1,6-80 | 1,6-100 | 1,0-150 | 1,0-200 | 1,0-250 | 1,0-300 | |
| 1. Обозначение технических условий | ТУ 3721-015-03219029-2004 | ТУ 3721-014-03219029-2004 | |||||
| 2. Номинальный диаметр, мм | 50 | 80 | 100 | 150 | 200 | 250 | 300 |
| 3. Строительная длина, мм | 150 | 180 | 190 | 210 | 230 | 250 | 270 |
| 4. Строительная высота, мм | 253 | 316 | 363 | 495 | 582 | 699 | 793 |
| 5. Масса, кг | 12 | 20 | 26 | 46 | 74 | 118 | 160 |
| 6. Протечки затвора, см3/мин, не более | Протечки не допускаются | ||||||
| 7. Величина рабочего хода затвора, обороты | 8-9,5 | 12-14 | 16-19 | 26-31 | 31-32 | 38-42 | 45-48 |
| 8. Макс. допустимый крутящий момент на шпинделе открытия и закрытия затвора, Н×м, не более | 25 | 50 | 70 | 110 | 170 | 200 | 200 |
| 9. Коэффициент гидравлического сопротивления, не более | 0,2 | ||||||
| 10. Номинальное (условное) давление, МПа (кгс/см2) | PN=1,6 (16) | PN=1,0 (10) | |||||
| 11. Рабочее давление, МПа (кгс/см2) | PP=1,6 (16) | PP=1,0 (10) | |||||
| 12. Пробное давление, МПа (кгс/см2) | Pпр=2,4 (24) | Pпр=1,5 (15) | |||||
| 13. Рабочая среда (вода) | по СанПиН 2.1.4.1074 | ||||||
| 14. Температура рабочей среды, °С | от 5 до 75 | ||||||
| 15. Температура окружающего воздуха, °С | от минус 15 до плюс 40 | ||||||
| 16. Присоединение к трубопроводу | фланцевое по ГОСТ 12815 | ||||||
| 17. Управление | ручное | ||||||
| 18. Рабочее положение задвижки | любое, кроме маховиком вниз | ||||||
| 19. Направление подачи рабочей среды | любое | ||||||
|
20. Материал: корпусных деталей и клина уплотнений шпинделя закладной гайки |
чугун резиновая смесь сталь коррозионно-стойкая бронза |
||||||
| 21. Покрытие | эпоксидно-порошковое | ||||||
При выпуске из производства все изделия подвергаются 100% выходному контролю и имеют индивидуальный заводской номер.
Дополнительная вкладка, для размещения информации о магазине, доставке или любого другого важного контента. Поможет вам ответить на интересующие покупателя вопросы и развеять его сомнения в покупке. Используйте её по своему усмотрению.
Вы можете убрать её или вернуть обратно, изменив одну галочку в настройках компонента. Очень удобно.
